全国服务热线
点击次数:1006 更新时间:2022-07-18
智能型低压保护器DeM200Q



一、 概述
DeM200Q系列低压电动机保护器或线路保护测控装置(以下简称DeM200Q或保护器),是我公司针对低压电动机或低压线路的各种故障特性而研发的新一代综合型低压保护器;是一款具有极高性价比,稳定可靠,集继电器保护、测量、控制、通讯为一体的低压保护装置。保护器通过采集受保护回路中三相电流、三相线电压,接地电流等数据,将这些数据计算后和保护器记录的各种保护功能整定信息进行比较,当符合保护动作条件时,驱动继电器输出,从而达到可靠保护电动机或线路的目的。
DeM200Q保护器由保护器主机、显示模块两部分组成。保护器主机可以独立运行,实现测量功能、保护功能、电动机启/停控制功能和远程通讯功能;显示模块作为辅助装置,可以根据需要进行配置。PD20M以通讯功能作为远程管理的重要手段,支持MODBUS-RTU、PROFIBUS-DP多种通讯总线。
DeM200Q综合型低压电动机保护器符合以下安全标准:
GB14048.1-2012 低压开关设备和控制设备 总则;
GB14048.4-2010 低压开关设置和控制设置 机电式接触器和电动机启动器;
GB14048.5-2008 低压开关设备和控制设置 控制电路电器和开关元件
第1部分:机电式控制电路电器
GB14048.6-2008 低压开关设备和控制设备
第2部分:交流半导体电动机控制器和启动器
二、 产品特点
1. 可用于0.66KV及以下电压等级各种电流规格电动机或馈出线路的全面保护;
2. 电动机保护器通过监测低压MCC(Motor Control Center)回路的电流、电压、漏电电流等参数对电动机进行全面保护(具有启动超时、过载、堵转、断相、不平衡、接地故障、漏电、短路、欠载、超温、过压、欠压、相序错乱、满溢故障跳断路器等多种保护功能;并可选“抗晃电”功能和欠、失压重起动功能)。
线路保护测控装置通过监测低压PC(Power Center)回路的电流、电压、漏电电流等参数,与低压进线、馈线回路的断路器配合,实现分合闸操作与监控管理;可选配漏电跳闸,欠压报警或跳闸,三段式过流保护等功能,实现对馈线回路必要的保护;
3. 采用宽温型汉化LCD以及高亮指示灯结合显示运行状态及数据;
4. 可编程设置,可在现场方便地更改整定电流、保护定值等参数;
5. 可选配1路RS485通讯接口,采用MODBUS-RTU协议与后台组网通讯,也可选PROFIBUS-DP通讯方式;
6. 可选配1路DC4~20mA模拟量变送输出到后台工控机;
7. 提供8路开关量输入采集和4路继电器输出(增强型DeM200Q+可提供10DI、5DO),可适用于多种起动控制方式;
8. 电源电压:AC/DC85V~265V(交直流通用,宽范围),方便设计应用;
9. 保护器主体采用35mm标准导轨安装方式,方便安装与拆卸;显示模块屏装(开孔尺寸为96.5mm×54.5mm);
三、产品选型说明

四、技术指标
技术参数 | 技术指标 | |
保护器辅助工作电源 | AC/DC85V~265V(交直流通用,宽范围) | |
保护器适用电压系统 | AC380V、AC660V(50Hz) | |
保护器功耗 | 正常工作时≤10W,保护启动时≤15W | |
保护器电流规格 | 2A(适用电流范围:0.5A~2A) | 选用100A及以下电流规格的保护器,主回路的三相线分别自上向下一次穿过保护器主机自带的电流互感器L1、L2、L3三相孔中,不需另配互感器 |
6.3A(适用电流范围:2A~6.3A) | ||
30A(适用电流范围:6.3A~30A) | ||
100A(适用电流范围:30A~100A) | ||
200/5A(适用电流范围:80A~200A) | 选用100A以上电流规格的保护器时,主回路的三相线一次穿过变比为5A的三个外置电流互感器,外置电流互感器二次线再分别一次穿过保护器主机自带的电流互感器L1、L2、L3三相孔中 | |
500/5A(适用电流范围:200A~500A) | ||
800/5A(适用电流范围:320A~800A) | ||
继电器输出触点 | 标准型DeM200Q具有4路继电器输出 | 继电器触点容量:AC 250V/8A |
增强型DeM200Q+具有5路继电器输出 | ||
开关量输入 | 标准型DeM200Q具有8路光耦隔离的开关量输入,外部须接交流或直流220V与公共端构成回路;增强型DeM200Q+具有10路开关量输入,内置DC24V电源。 | |
正常使用环境 | 工作温度 | -10℃~55℃ |
相对湿度 | 5%~90%不结露 | |
海拔 | ≤2500m | |
五、功能配置
形式 功能 | 功能配置 | ||
标准配置 | 增选配置 | ||
电动机保护功能 | 启动超时保护 | √ | |
过载保护、过流堵转保护、短路保护 | √ | ||
电流不平衡保护、断相保护 | √ | ||
接地故障保护 | √ | ||
漏电保护(需另配零序电流互感器,互感器选型见B10页) | √ | ||
欠载保护 | √ | ||
温度保护(PTC/NTC) | √ | ||
过压保护、欠压保护 | √电压功能 | ||
频率保护、欠功率因数保护 | |||
相序保护 | |||
抗晃电 | √ | ||
溢出故障(故障电流超过接触器分断能力)跳断路器 | √ | ||
线路保护功能 | 过负荷保护 | √ | |
| 接地故障保护 | √ | ||
漏电保护(需另配零序电流互感器,互感器选型见B10页) | √ | ||
| 三段式过流保护 | √ | ||
| 后加速保护 | √ | ||
| 过压保护、欠压保护 | √ | ||
控制模式 | 保护模式 |
√ 可 编 程
| |
直接启动模式 | |||
双向可逆启动模式 | |||
星/三角启动模式 | |||
自耦变压器启动模式 | |||
双速启动模式 | √ 独 立 版 | ||
直接启动控制断路器模式 | |||
线路保护测控模式 | |||
数字通讯 | RS485接口,通讯协议:MODBUS-RTU | √ | |
PROFIBUS-DP接口 | √ | ||
开关量输入 | 标配8路DI(增强型PD20M+具有10路开关量输入) | √ | |
继电器输出 | 标配4路DO(增强型PD20M+具有5路继电器输出) | √ | |
模拟量输出 | 一路DC4~20mA模拟量变送输出,参数可编程 | √ | |
发光管指示 | 运行、总线、故障指示 | √ | |
测量显示 | 热阻、三相线电压、频率、功率因数、有功功率、无功功率 | √ | |
三相电流、接地/漏电电流、三相电流不平衡率、热容 | √ | ||
保护定值设定 | 各种保护定值查询、整定 | √ | |
故障记录 | 记录多达8次最近发生的故障信息,分辨率1s | √ | |
统计信息 | 查询电机的总运行时长、总停车时长、跳闸次数、停车次数 | √ | |
欠失压重起动 | 配合电压检测功能模块可实现短时欠、失压重起动功能 | √ | |
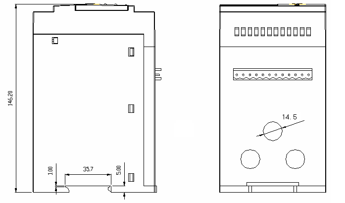
、外形尺寸及安装方式
● 保护器本体外形尺寸:


注:保护器本体采用标准35mm导轨安装方式,本体与显示模块采用标准的DB9串口线连接,DB9串口线标配1米,可选1米、3米、5米三种长度。
显示模块外形尺寸:

● 显示模块安装示意图(开孔尺寸建议为96.5mm×54.5mm):

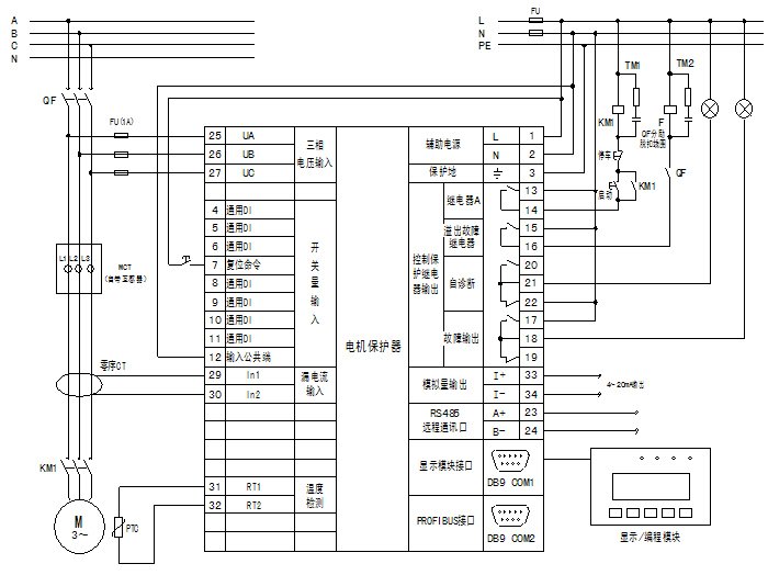
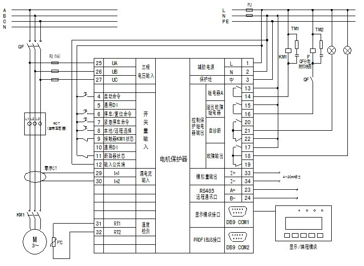
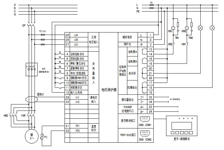
七、端子定义及接线
● 端子定义(此端子定义与标准型DeM200Q完全对应,增强型DeM200Q+稍有区别,具体见相对应接线图):
段子编码 | 端子定义 | 注释 | 初始状态 |
L1 | A相电流输入 | 电缆穿孔 | / |
L2 | B相电流输入 | ||
L3 | C相电流输入 | ||
1 | L+ | 电源正极 | / |
2 | N- | 电源负极 | / |
3 | GND | 接地 | / |
4 | DI1 | 信号输入1 | 常开 |
5 | DI2 | 信号输入2 | 常开 |
6 | DI3 | 信号输入3 | 常开 |
7 | DI4 | 信号输入4 | 常开 |
8 | DI5 | 信号输入5 | 常开 |
9 | DI6 | 信号输入6 | 常开 |
10 | DI7 | 信号输入7 | 常开 |
11 | DI8 | 信号输入8 | 常开 |
12 | DI公共端 | 信号输入公共端 | / |
13 | DO1-1 | A继电器输出 | 常开 |
14 | DO1-2 | ||
15 | DO2-1 | B继电器输出 | 常开 |
16 | DO2-2 | ||
17 | DO3-1 | C继电器输出 | 常开(17,18) 常闭(18,19) |
18 | DO3-2 | ||
19 | DO3-3 | ||
20 | DO4-1 | D继电器输出 | 常开(20,21) 常闭(21,22) |
21 | DO4-2 | ||
22 | DO4-3 | ||
23 | RS485+ | RS485通讯接口 | / |
24 | RS485- | ||
25 | UA | A相电压输入 | / |
26 | UB | B相电压输入 | / |
27 | UC | C相电压输入 | / |
28 | NULL | 空 | / |
29 | Ln1 | 漏电互感器输入端1 | / |
30 | Ln2 | 漏电互感器输入端2 | / |
31 | RT1 | 热阻输入端1 | / |
32 | RT2 | 热阻输入端2 | / |
33 | NA+ | 4~20mA模拟量输出+ | / |
34 | NA- | 4~20mA模拟量输出- | / |
● 典型控制模式接线图
下面主要列举标准型DeM200Q最常用的三种控制模式接线图:保护模式接线图、直接启动模式接线图和双向可逆启动模式接线图,以及增强型DeM200Q+保护模式、直接启动模式接线图。其余不常用的控制模式(星/三角启动模式、自耦变压器启动模式、双速启动模式、直接启动控制断路器模式)接线图如需查看。
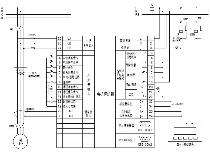
DeM200Q保护模式接线图

DeM200Q保护模式下,保护器中继电器A的常开接点串在控制电机接触器KM1 的线圈回路中,当保护器上电时,继电器A的常开接点立即闭合,此时等待电机工作。按动“启动”按钮,KM1线圈得电,电机主回路中的KM1主触头和并接在“启动”按钮两端的KM1辅助接点吸合并自锁,电动机得电启动后正常运行。当按动“停车”按钮或保护器检测到跳闸类故障时,继电器A断开,接触器KM1 释放,电动机停车。故障跳闸后需按复位键3秒以上方可清除故障指示,继电器A才自动闭合,进入启动就绪状态。
注1:图中MCT为保护器自带电流互感器,≤100A 电流规格保护器,主线路由上而下一次穿芯即可;当电动机的额定电流大于100A时,需接外部保护CT,将CT二次侧5A电流线一次穿过保护器MCT。
注2:当保护器检测到的故障电流大于接触器的最大分断能力电流时(须预先在保护器系统参数中设置好接触器最大分断电流:如9倍Ie),先保持继电器A为原闭合状态(此时不跳接触器,否则接触器的主触头容易损伤),待“溢出故障继电器”吸合动作(脉冲),控制断路器分闸来保护电动机和线路后,延时1秒再释放继电器A,断开接触器,报“溢出故障”。
注3:选择漏电保护功能时,应选取合适穿线孔径的零序电流互感器(电动机回路A、B、C三相线同时穿过零序电流互感器,互感器选型见B10页)。
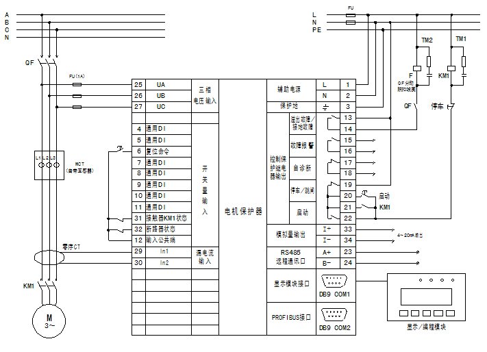
DeM200Q直接启动模式接线图

DeM200Q直接启动模式下,当保护器上电时,首先检测断路器是否在闭合状态,接触器KM1是否在释放状态,如果接线错误,报“接线错误”,故障继电器闭合;如果接线正确,进入启动就绪状态,显示模块显示“直接启动模式”。当保护器收到启动命令时,内部继电器A 吸合,则接触器KM1 得电吸合,启动过程中“启动”灯亮,显示“正在启动”;启动结束,“启动”灯灭,“运行”灯亮,显示模块显示“正在运行”。当保护器收到停车命令,或者有保护跳闸动作发生时,继电器A断开,接触器KM1 释放,电动机停车;停车过程结束后,进入启动就绪状态时,显示模块显示“直接启动模式”。故障跳闸后需按复位键3秒以上方可清除故障指示。
注1:远程启动、停车、复位控制只有在DI5(本地/远程选择)接通为远程控制的时候才有效,此时本地显示模块无法进行启动、停车、复位控制。“紧急停车”按钮与保护器本体上的红色复位按钮一样,不受远方/就地状态限制。上图中的远程启动按钮、停车/复位按钮、紧急停车按钮都采用点动式,停车/复位按钮短按为停车,长按>3秒停车并复位。
注2:图中MCT为保护器自带电流互感器,≤100A 电流规格保护器,主线路由上而下一次穿芯即可;当电动机的额定电流大于100A时,需接外部保护CT,将CT二次侧5A电流线一次穿过保护器MCT。
注3:当保护器检测到的故障电流大于接触器的最大分断能力电流时(须预先在保护器系统参数中设置好接触器最大分断电流:如9倍Ie),先保持继电器A为原闭合状态(此时不跳接触器,否则接触器的主触头容易损伤),待“溢出故障继电器”吸合动作(脉冲),控制断路器分闸来保护电动机和线路后,延时1秒再释放继电器A,断开接触器,报“溢出故障”。
注4:选择漏电保护功能时,应选取合适穿线孔径的零序电流互感器(电动机回路A、B、C三相线同时穿过零序电流互感器,互感器选型见B10页)。
DeM200Q双向可逆启动模式接线图

DeM200Q双向可逆启动模式下,当保护器上电时,首先检测断路器是否在闭合状态,接触器KM1、KM2 是否在释放状态,如果接线错误,报“接线错误”,故障继电器闭合;如果接线正确,进入启动就绪状态,保护器显示“双向启动模式”。当保护器收到“启动A”启动命令,内部继电器A 吸合,则接触器KM1 得电吸合,启动过程中“启动”灯亮,显示模块显示“正向启动”,表示电机在正向启动过程中;启动结束,“运行”灯亮,显示模块显示“正在运行”。当保护器收到停车命令或者有保护跳闸动作发生时,继电器A断开,接触器KM1释放,电动机停车。按动“启动B”,反向启动电机,内部继电器 B 吸合,则接触器KM2 得电吸合,启动过程中“启动”灯亮,显示模块显示“反向启动”,表示电动机在反向启动过程中;启动结束,“启动”灯灭,“运行”灯亮,显示模块显示“正在运行”。当保护器收到停车命令或者有保护跳闸动作发生时,继电器B断开,接触器KM2释放,电动机停车;停车过程结束后,进入启动就绪状态时,显示模块显示“双向可逆启动模式”。故障跳闸后需按复位键3秒以上方可清除故障指示。
注1:远程启动、停车、复位控制只有在DI5(本地/远程选择)接通为远程控制的时候才有效,此时本地显示模块无法进行启动、停车、复位控制。“紧急停车”按钮与保护器本体上的红色复位按钮一样,不受远方/就地状态限制。上图中的远程启动按钮、停车/复位按钮、紧急停车按钮都采用点动式,停车/复位按钮短按为停车,长按>3秒停车并复位。
注2:图中MCT为保护器自带电流互感器,≤100A 电流规格保护器,主线路由上而下一次穿芯即可;当电动机的额定电流大于100A时,需接外部保护CT,将CT二次侧5A电流线一次穿过保护器MCT。
注3:选择漏电保护功能时,应选取合适穿线孔径的零序电流互感器(电动机回路A、B、C三相线同时穿过零序电流互感器,互感器选型见B10页)。
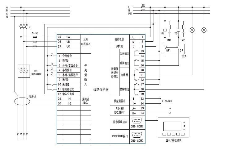
DeM200Q线路保护测控模式接线图

DeM200Q线路保护测控模式下,当保护器收到合闸命令时,内部继电器A (合闸继电器)吸合,则断路器合闸线圈得电,断路器合闸,“合闸”灯亮,显示模块显示“合闸中”。当保护器收到分闸命令,或者有保护跳闸动作发生时,继电器B(分闸继电器)吸合,则断路器分励线圈得电,断路器分闸,“分闸”灯亮,显示模块显示“线路保护”字样。故障跳闸后需长按远程“复位按钮”或保护器主机上的红色复位按钮方可清除故障指示。
注1:远程合闸、分闸、复位控制只有在DI5(本地/远程选择)接通为远程控制的时候才有效,此时本地显示模块无法进行合闸、分闸、复位控制。“事故按钮”与保护器主机上的红色复位按钮一样,不受远方/就地状态限制。上图中的远程合闸按钮、分闸/复位按钮、事故按钮都采用点动式,分闸/复位按钮短按为分闸,长按>3秒分闸并复位。
注2:图中MCT为保护器自带电流互感器,≤100A 电流规格保护器,主线路由上而下一次穿芯即可;当电动机的额定电流大于100A时,需接外部保护CT,将CT二次侧5A电流线一次穿过保护器MCT。
注3:选择漏电保护功能时,应选取合适穿线孔径的零序电流互感器(零序电流互感器选型见B10页)。不同的接地系统(如TT系统、IT系统、TN系统),零序电流互感器的穿线方式及接地方式不同,请根据实际接地系统情况正确接线,上图为TT系统接线图。
注4:上图二次控制回路的断路器合闸线圈和跳闸线圈回路中,建议如图中所示,分别接入断路器的常闭和常开辅助触点(若保护器内部继电器A、B输出方式设置为电平方式则必须接入该辅助触点;若保护器内部继电器A、B输出方式设置为短时脉冲方式,视情况可不接)。
增强型DeM200Q+保护模式接线图

DeM200Q+保护模式下,保护器中DO4(停车/跳闸继电器)的常闭接点串在控制电机接触器KM1 的线圈回路中,当保护器上电后,DO4保持闭合状态,此时等待电机工作。按动“启动”按钮,KM1线圈得电,电机主回路中的KM1主触头和并接在“启动”按钮两端的KM1辅助接点吸合并自锁,电动机得电启动后正常运行。当按动“停车”按钮或保护器检测到跳闸类故障时,DO4(停车/跳闸继电器)断开,接触器KM1 释放,电动机停车。故障跳闸后需按复位键3秒以上方可清除故障指示,DO4(停车/跳闸继电器)恢复闭合,进入启动就绪状态,允许电机再次启动。
注1:图中MCT为保护器自带电流互感器,≤100A 电流规格保护器,主线路由上而下一次穿芯即可;当电动机的额定电流大于100A时,需接外部保护CT,将CT二次侧5A电流线一次穿过保护器MCT。
注2:当保护器检测到的故障电流大于接触器的最大分断能力电流时(须预先在保护器系统参数中设置好接触器最大分断电流:如9倍Ie),先保持DO4(停车/跳闸继电器)为原闭合状态(此时不跳接触器,否则接触器的主触头容易损伤),“溢出故障继电器”吸合动作(脉冲),控制断路器分闸来保护电动机和线路后,延时1秒动作DO4(停车/跳闸继电器),断开接触器,报“溢出故障”。
注3:选择漏电保护功能时,应选取合适穿线孔径的零序电流互感器(电动机回路A、B、C三相线同时穿过零序电流互感器,互感器选型见B10页)。
增强型DeM200Q+直接启动模式接线图

DeM200Q+直接启动模式下,当保护器上电时,首先检测断路器是否在闭合状态,接触器KM1是否在释放状态,如果接线错误,报“接线错误”,故障继电器闭合;如果接线正确,进入启动就绪状态,显示模块显示“直接启动模式”。当保护器收到启动命令时,内部继电器DO5(启动继电器)吸合后断开(脉冲),则接触器KM1 得电吸合,电动机得电启动,并接在DO5两端的KM接点吸合自锁,启动过程中“启动”灯亮,显示“正在启动”;启动结束,“启动”灯灭,“运行”灯亮,显示模块显示“正在运行”。当保护器收到停车命令,或者有保护跳闸动作发生时,内部继电器DO4(停车/跳闸继电器)断开,接触器KM1 释放,电动机停车;停车过程结束后,进入启动就绪状态时,显示模块显示“直接启动模式”。故障跳闸后需按复位键3秒以上方可清除故障指示。
注1:在DI5(本地/远程选择)接通为远程控制的时候,远程启动、远程停车可以有效控制(本地权限时控制无效);在DI5(本地/远程选择)未接通为本地控制的时候,显示模块和本地的启动按钮、停车按钮可以有效控制(远程权限时控制无效)。“复位”按钮、“紧急停车”按钮与保护器本体上的红色复位按钮一样,不受远方/就地状态限制。上图中的启动、停车、复位、紧急停车按钮都采用点动式。
注2:图中MCT为保护器自带电流互感器,≤100A 电流规格保护器,主线路由上而下一次穿芯即可;当电动机的额定电流大于100A时,需接外部保护CT,将CT二次侧5A电流线一次穿过保护器MCT。
注3:当保护器检测到的故障电流大于接触器的最大分断能力电流时(须预先在保护器系统参数中设置好接触器最大分断电流:如9倍Ie),先保持DO4(停车/跳闸继电器)为原闭合状态(此时不跳接触器,否则接触器的主触头容易损伤),“溢出故障继电器”吸合动作(脉冲),控制断路器分闸来保护电动机和线路后,延时1秒动作DO4(停车/跳闸继电器),断开接触器,报“溢出故障”。
注4:选择漏电保护功能时,应选取合适穿线孔径的零序电流互感器(电动机回路A、B、C三相线同时穿过零序电流互感器,互感器选型见B10页)。