欢迎来到无锡阿斯博科技发展有限公司官方网站!
无锡阿斯博科技发展有限公司
为客户提供电能质量治理整体解决方案
全国服务热线:
13961885106
网站首页
公司简介
产品展示
工程案例
新闻资讯
联系我们
首页
公司简介
产品展示
工程案例
新闻资讯
联系我们
您的位置:
首页
>>
产品展示
>>
开关柜智能操控类
产品分类
×
开关柜智能操控类
低压保护器类
仪表类
电容类
有源滤波器
静止无功发生器
产品中心
开关柜智能操控类
低压保护器类
仪表类
电容类
有源滤波器
静止无功发生器
无锡阿斯博科技发展有限公司
电话:0510-85845007
传真:0510-85845009
E-mail:2105566@163.com
地址:无锡蠡园开发区景宜路18号-5
全国服务热线
13961885106
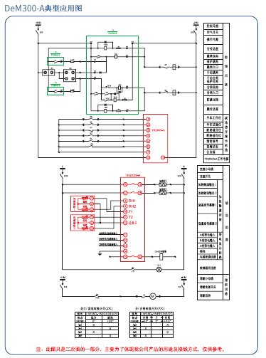
DeM300-A开关柜智能操显系列
点击次数:932 更新时间:2022-07-18
上一篇:
没有了!
下一篇:
DeM300开关柜智能操显系列
推荐新闻
◦ 无功补偿电容器达不到额定电流的原因
[2022-07-18]
◦ 滤波型电力电容器的无功补偿效益
[2022-07-18]
◦ 无功补偿电容器常见故障
[2022-07-18]
◦ 破坏电力电容器性能的主要原因
[2022-07-18]
◦ 无功集中补偿和无功就地补偿的区别
[2022-07-18]
◦ 电容柜的电容容量大小要求
[2022-07-18]
推荐产品
DeM300开关柜智能操显系列
DeM300-A开关柜智能操显系列
普通型低压电动机保护器DeM200J
智能型低压保护器DeM200K
友情链接:
轧机
压电陶瓷片
酸洗钝化膏
钢衬四氟
喷涂四氟
蒸发器
高压泵
闭式冷却塔